Primary Suite -
This entire primary suite got a huge update! The wall separating the laundry room from the closet was removed to expand the space and allow for an island to be added to the closet. The storage in the closet will be custom made by California Closets.
The wet room was reconfigured for a more open feel. The existing tub was replaced by a Bain Ultra air tub including a heated backrest. Behind the tub, a ledge was added for towels and decorations. A floating shelf made of quartz was added just behind the tub for access to a hand shower. The shower includes two shower heads, a rain can, a tiled linear drain and a recessed niche. A second recessed niche was added near the toilet to store toilet paper. The niche and the vanity include motion sensor lighting that comes on when someone enters the room. Above the vanity, backlit mirrors, chandeliers and wall-mounted faucets were installed. The entire bathroom includes custom tile work and heated tile flooring runs throughout the entire suite.
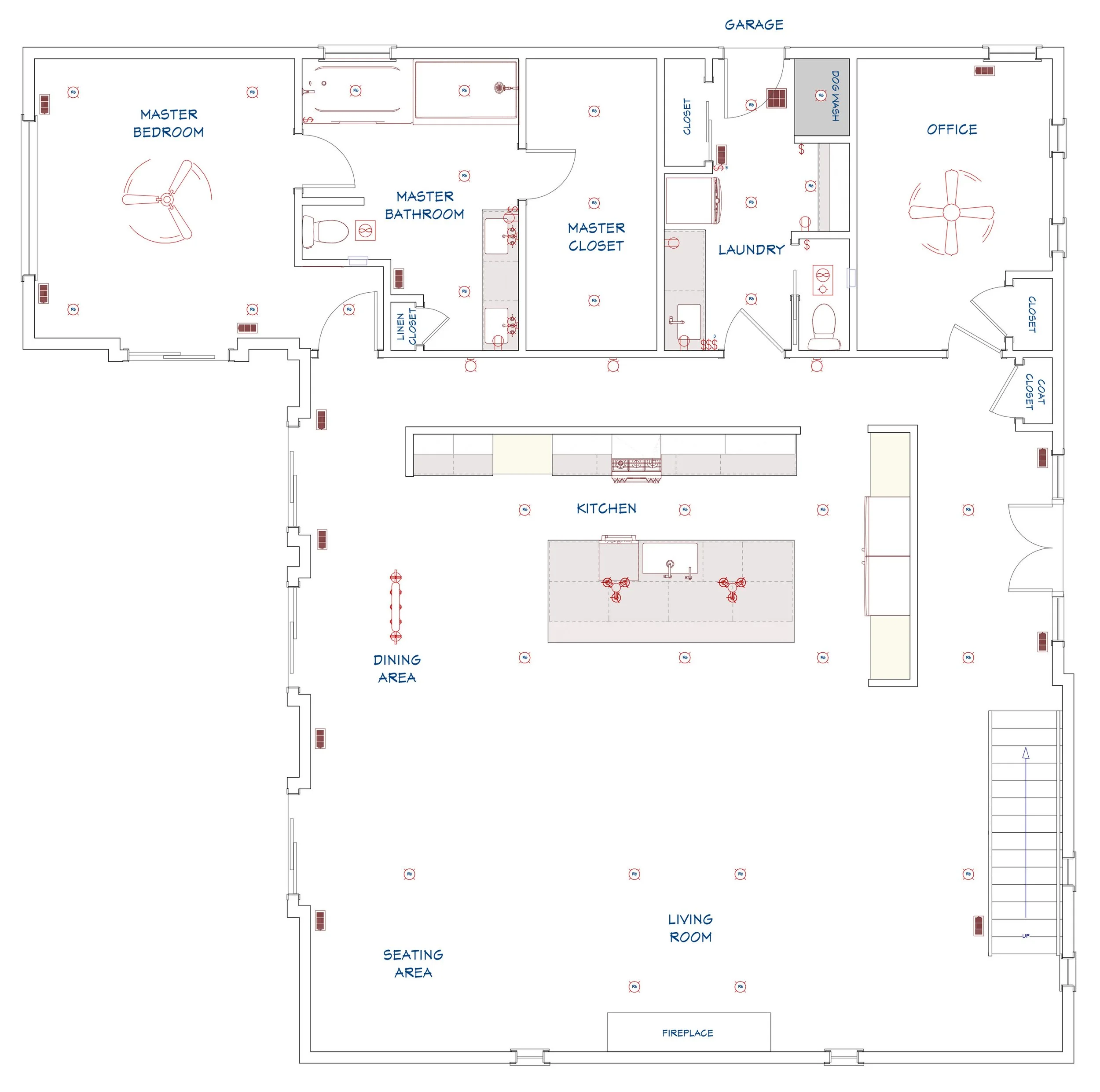
Main Level Construction Plans -
These plans were used onsite for carpenters and subcontractors during the construction process. The layout of the cabinetry in the kitchen was designed to give the client a large island for maximum working space in a small area, while also providing seating for guests when entertaining. A bench seat was added under the bay window for children to lounge on. The cabinetry around the refrigerator was reconfigured, eliminating the desk and part of the wall in order to open up the space and make it more functional.
Wet Bar -
This early 2000’s bar was given a makeover for an updated look and better functionality. The client wanted a space to entertain guests with minimal cleanup afterwards. A dishwasher was added to the back wall to wash glassware. The new Yorktowne cabinetry wraps around to bar-height seating for guests to mingle. Floating shelves were used in place of wall cabinets to make the space feel more open since the ceiling is low in that area. The brick columns were removed and the tile flooring was replaced. Silestone quartz countertops, herringbone wall tile and added pendant lighting completed the project.
Primary Bathroom -
This bathroom was updated to a modern, high-end style. Yorktowne cabinetry was used to replace the existing vanity and linen closet. The shower was enlarged and finished with custom tile, quartz, gold plumbing fixtures, a linear floor drain and an added bench. A heated air tub replaced the existing tub for maximum relaxation. The wall was built out next to the tub to center the tub under the window and includes recessed niches for storage and décor. The swinging entry door was replaced with a pocket door to eliminate having to shut the bathroom door to access the linen cabinet.
Basement Finish Construction Plans -
These plans were used onsite for carpenters and subcontractors during construction. The basement started out completely unfinished and was divided into rooms including a bar, living room, arcade, bathroom, gym and storage.
Kitchen -
Yorktowne cabinetry and MetroQuartz countertops were used to give this kitchen a fresh, new look. The peninsula angle was reconfigured and the wall separating the kitchen from the dining room was removed to open up the space. A “window” was cut into the wall separating the kitchen from the living room so the client could see the TV and interact with guests in the living room while working in the kitchen. The laundry room was reconfigured with a stackable washer and dryer to allow space for an added utility cabinet. LVT flooring replaced the existing linoleum and carpet throughout the entire main living space. Glass subway tile was used for the backsplash in the kitchen. Can lighting was added in the kitchen, dining room and living room along with decorative pendants above the peninsula and sink.
Main Level Construction Plans -
This project starts with a reconfiguration of the layout in order to eliminate the hallway and add a second bathroom to the main level. The kitchen, master bathroom and laundry room will be completely renovated to make the space more functional for the client.
Primary Bathroom -
This project was a lot of fun to work on and exciting to watch come together! Yorktowne cabinetry with a custom Sherwin-Williams finish and MetroQuartz countertop was used for the vanity. The corner tub was replaced with a freestanding soaker tub. Anatolia Marrakesh tile was used for the accent wall in the shower and extends around the tub. Inside the shower bench is a recessed niche to hide products out of sight and not to take away from the accent tile focal point. LVT flooring was installed throughout the bathroom and walk-in closet.
Bourbon & Wine Bar -
This bar display will include a wine fridge, kegerator, TV and a small sink with a wall mounted faucet. Yorktowne Historic inset cabinetry will be used to create a galley-style bar. The countertops will be made of Silestone quartz featuring a double waterfall on the second tier. The inside area of the countertop overhang and waterfall sides will be lined with three-quarter inch thick black cabinetry paneling to create a second layer following the same profile as the quartz. This design element is repeated on the back wall on the sides of the cabinetry surrounding the TV. Marazzi Urban District tile will be installed on the back wall behind the TV and also on the opposing wall backsplash area. A unique multi-bulb light fixture will hang over the seating area which will feature multiple bar stools for clients to rest if needed. Bourbon, wine and glassware will fill the glass cabinetry to give this display the look and feel of a classy, sophisticated home wet bar.
Kitchen -
New Merillat cabinetry, MetroQuartz countertops and tile backsplash replaced the outdated kitchen this client previously had. The window above the sink was lowered and the sliding patio door was replaced with a hinged door. A drywall pantry was built in the corner, including a small access door for the client to unload grocery bags into the pantry directly from the garage. The refrigerator was relocated so that the entire right side of the kitchen could be used us a buffet area when hosting events. A small coffee bar was added at the end of the kitchen.
Sauna -
Custom sauna built out of tongue and groove cedar wood. Water-resistant LED tape lighting was added at the back of the bench for aesthetics. Mini can lights were used along the curved wall to showcase its uniqueness.
Kitchen -
The main goal of this remodel is to open up the space and have adequate seating for the client’s family when they entertain. The wall between the living room and kitchen will be removed to allow everyone to be in the same space. A large island will be built so all family members can eat together and so the person cooking can socialize with guests. I gave the clients an optional table and chairs or small island in the bay window to use as their everyday eating space for the two of them. Yorktowne cabinetry and MetroQuartz countertops will be used for this project. The client is still working on choosing a backsplash tile.